kihua logo sinfonia logo
  | | |  
 
 
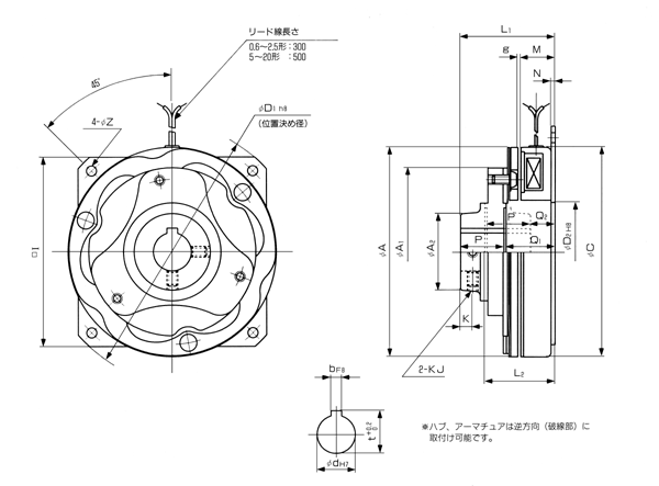
无毂型shinko_sinfonia_神钢电机离合器<NB-0.6-C>

 

形式

NB-0.6-C
静摩擦トルク Nm
6
定格電圧     DC-V
24
消費電力   W(at75℃)
8
質量            kg
0.46


A 70
A1 58
A2 28
C 70
D1 90
D2 35
I 66


L1 36.8
L2 29
M 17
N 1.6
P 13
Q1 23.8
Q2 13.2
g
0.2 +0.1
0


K 5
KJ M4
Z P.C.D 80
穴径 4.5

d 12
b 4
t 13.5


DMP-20/24A






FMP-10DA

EMP-20DB

CSM-55DB

CMPH-100/4HA

关闭窗口

 
上海起华机械有限公司 Shanghai KIHUA Machinery Co., Ltd.@版权所有
|
首页 |品牌列表 |关于我们 |联系我们 |