kihua logo sinfonia logo
  | | |  
 
 
无毂型shinko_sinfonia_神钢电机离合器<NB-0.3-C>

 

形式

NB-0.3
静摩擦トルク Nm
3
定格電圧     DC-V
24
消費電力   W(at75℃)
5
質量            kg
0.16

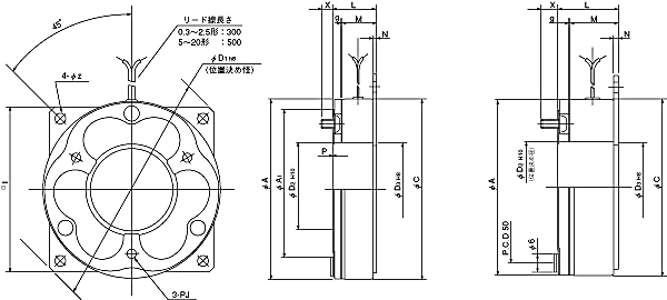
单位 : mm



A 58
C 58
D1 74
D2 29
D3 28
I 54


L 20
M 16
N 1.6
g
0.2 +0.1
0
X 5.5


PJ P.C.D 42
ボルト M3x6
Z P.C.D 66
穴径 3.5


DMP-10/24A






FMP-10DA

EMP-20DB

CSM-55DB

CMPH-100/4HA

关闭窗口

 
上海起华机械有限公司 Shanghai KIHUA Machinery Co., Ltd.@版权所有
|
首页 |品牌列表 |关于我们 |联系我们 |