kihua logo sinfonia logo
  | | |  
 
 

电磁离合/shinko_sinfonia_神钢电机制动器<MP-6>

 

形 式

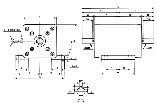
MP-6
shinko_sinfonia_神钢电机离合器
shinko_sinfonia_神钢电机制动器
静摩擦トルク  Nm
4

定格電圧     DC-V

24
消費電力      W(at75℃)
10.6

質量              kg

1.7


A 110
B 48
C 40
E 30
G 10
H 77
I 74


L 156
M 68
N 24
P 78
R 48
Z 7

Q 29
QK 20
d 12
b 4
h 4
t 2.5


DMP-20/24A





TMP-40D
EMP-20DB
CSM-55DB
CMPH-100/4HA

 

关闭窗口

 
上海起华机械有限公司 Shanghai KIHUA Machinery Co., Ltd.@版权所有
|
首页 |品牌列表 |关于我们 |联系我们 |