kihua logo sinfonia logo
  | | |  
 
 
突出轴型离合/shinko_sinfonia_神钢电机制动器
<JEP-5>

 

形式
JEP-5
クラッチ
ブレーキ
离合/shinko_sinfonia_神钢电机制动器
JCC-5F
JB-5
静摩擦トルク Nm
50
定格電圧     DC-V
24
消費電力    W(at75逤)
23
20
質量            kg
14
(注)内蔵离合器.制动器はJEP専用仕様となっています。

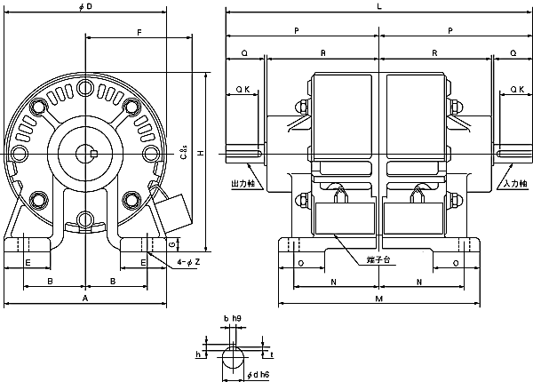
单位:mm



A

188

B

75

C

100

D

188

E

50

F

106

G

15

H

194



L

360

M

220

N

90

O

60

P

180

R

128

Z

12


Q

50

QK

38

d

25

b

8

h

7

t

4



DMP-63/24A






EMP-70DB

CSM-55DB

CMPH-250/4HB

关闭窗口

 
上海起华机械有限公司 Shanghai KIHUA Machinery Co., Ltd.@版权所有
|
首页 |品牌列表 |关于我们 |联系我们 |