kihua logo sinfonia logo
  | | |  
 
 
突出轴型离合/shinko_sinfonia_神钢电机制动器
<JEP-40>

 

形式
JEP-40
shinko_sinfonia_神钢电机离合器
shinko_sinfonia_神钢电机制动器
离合/shinko_sinfonia_神钢电机制动器 JCC-40F JB-40
静摩擦トルク Nm 400
定格電圧     DC-V 24
消費電力    W(at75逤) 50 46
質量            kg 100
(注)内蔵离合器.制动器はJEP専用仕様となっています。

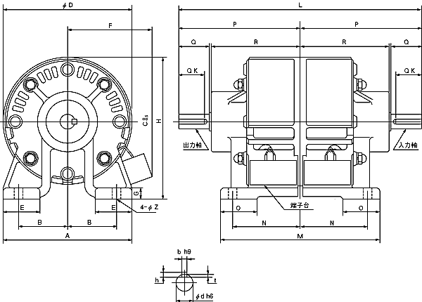
单位:mm



A

340

B

140

C

180

D

354

E

80

F

177

G

24

H

357

I

408



L

680

M

360

N

150

O

90

P

340

R

237

Z

18


Q

100

QK

84

d

50

b

16

h

10

t

6



DMP-100/24A





EMP-70DB
CMPH-250/4HB

关闭窗口

 
上海起华机械有限公司 Shanghai KIHUA Machinery Co., Ltd.@版权所有
|
首页 |品牌列表 |关于我们 |联系我们 |