kihua logo sinfonia logo
  | | |  
 
 
突出轴型离合/shinko_sinfonia_神钢电机制动器
<JEP-1.2>

 

形式
JEP-1.2
shinko_sinfonia_神钢电机离合器
shinko_sinfonia_神钢电机制动器
离合/shinko_sinfonia_神钢电机制动器
JCC-1.2F
JB-1.2
静摩擦トルク Nm
12
定格電圧     DC-V
24
消費電力    W(at75逤)
11
11
質量            kg
4.5
(注)内蔵离合器.制动器はJEP専用仕様となっています。

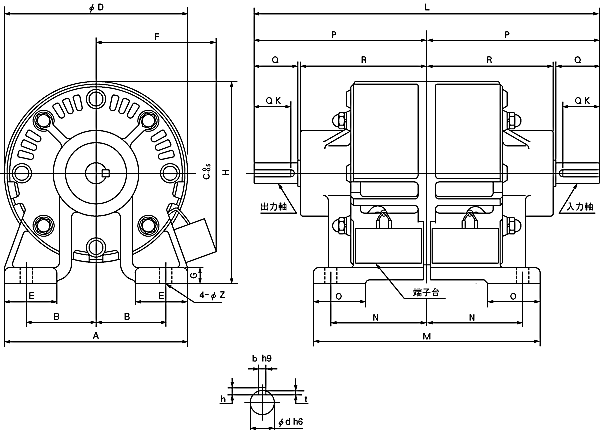
单位:mm



A
128
B
45
C
71
D
128
E
35
F
79
G
11
H
135


L
236
M
150
N
65
O
40
P
118
R
86.5
Z
7

Q
30
QK
25
d
15
b
5
h
5
t

3



DMP-20/24A





EMP-20DB
CSM-55DB
CMPH-100/4HA

关闭窗口

 
上海起华机械有限公司 Shanghai KIHUA Machinery Co., Ltd.@版权所有
|
首页 |品牌列表 |关于我们 |联系我们 |