kihua logo sinfonia logo
  | | |  
 
 
突出轴型离合/shinko_sinfonia_神钢电机制动器
<JEP-0.6>

 

形式
JEP-0.6
shinko_sinfonia_神钢电机离合器
shinko_sinfonia_神钢电机制动器
离合/shinko_sinfonia_神钢电机制动器
JCC-0.6F
JB-0.6
静摩擦トルク Nm
6
定格電圧     DC-V
24
消費電力    W(at75℃)
8
8
質量            kg
2.6
(注)内蔵离合器.制动器はJEP専用仕様となっています。

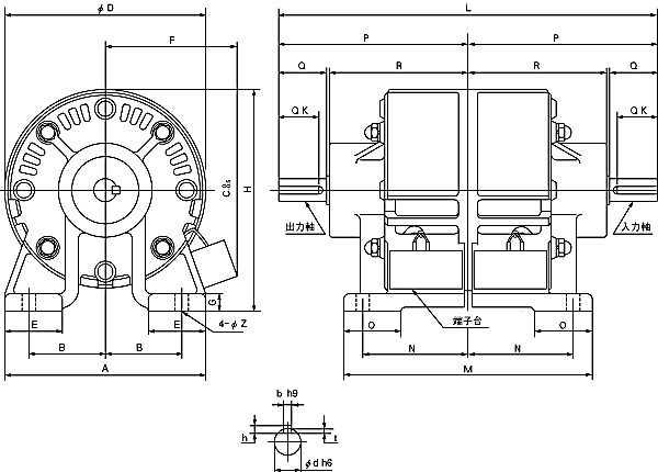
单位:mm



A

105

B

40

C

63

D

105

E

30

F

69

G

9

H

115.5



L

198

M

130

N

55

O

30

P

99

R

72.5

Z

7


Q

25

QK

18

d

12

b

4

h

4

t

2.5



DMP-20/24A






EMP-20DB

CSM-55DB

CMPH-100/4HB

关闭窗口

 
上海起华机械有限公司 Shanghai KIHUA Machinery Co., Ltd.@版权所有
|
首页 |品牌列表 |关于我们 |联系我们 |