kihua logo sinfonia logo
  | | |  
 
 
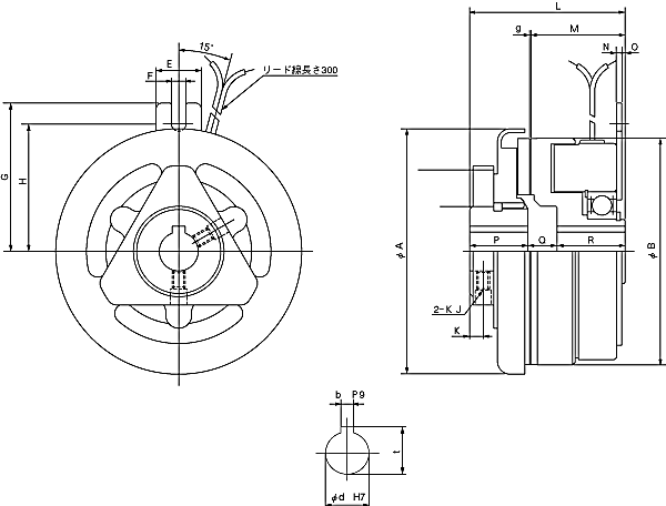
突出轴型shinko_sinfonia_神钢电机离合器<JCC-2.5>

 

形式

JCC-2.5
静摩擦トルク Nm
25
定格電圧     DC-V
24
消費電力   W(at75℃)
16
質量            kg
2.7

単位 : mm



A 118
B 110.5
E 18
F 6.5
G 69
H 61


L 67
M 40.5
N 2.0
O 1
P 25
Q 13
R 29
g 0.5

K
5.5
KJ
M6

d
20
b
6
t
22.8 +0.1
0


DMP-20/24A





EMP-20DB
CSM-55DB
CMPH-100/4HA

关闭窗口

 
上海起华机械有限公司 Shanghai KIHUA Machinery Co., Ltd.@版权所有
|
首页 |品牌列表 |关于我们 |联系我们 |