kihua logo sinfonia logo
  | | |  
 
 
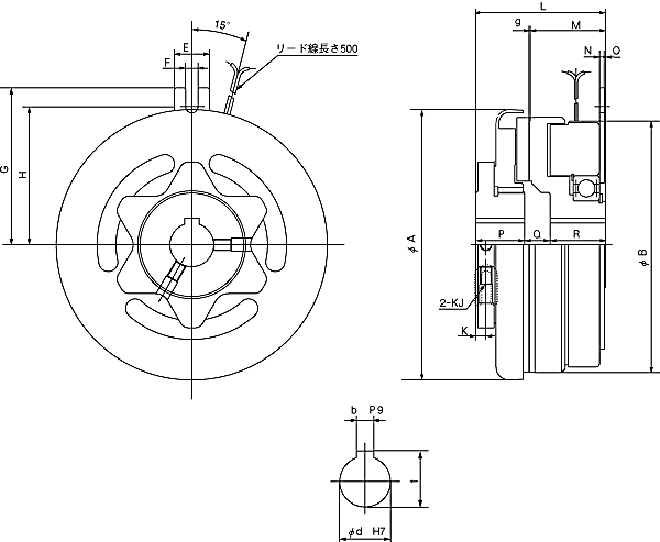
突出轴型shinko_sinfonia_神钢电机离合器<JCC-10>

 

形式

JCC-10
静摩擦トルク Nm
100
定格電圧     DC-V
24
消費電力   W(at75℃)
33
質量            kg
8.7

单位 : mm



A
186
B
175.7
E
24
F
8.5
G
108
H
95


L
89
M
52
N
3.2
O
1
P
33.5
Q
17.5
R
38
g
0.5

K
7
KJ
M8

d
30
b
10
t
33.3 +0.2
0


DMP-63/24A





EMP-70DB
CSM-55DB
CMPH-250/4HB

关闭窗口

 
上海起华机械有限公司 Shanghai KIHUA Machinery Co., Ltd.@版权所有
|
首页 |品牌列表 |关于我们 |联系我们 |