kihua logo sinfonia logo
  | | |  
 
 
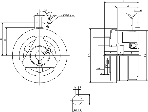
突出轴型shinko_sinfonia_神钢电机离合器<JCC-1.2>

 

形式

JCC-1.2
静摩擦トルク Nm
12
定格電圧     DC-V
24
消費電力   W(at75℃)
11
質量            kg
1.5

単位 : mm



A
96
B
90.4
E
16
F
5.5
G
57
H
50


L
54
M
32
N
1.6
O
1
P
21
Q
10
R
23
g
0.4

K
4.7
KJ
M5

d
15
b
5
t
17.3 +0.1
0


DMP-20/24A





EMP-20DB
CSM-55DB
CMPH-100/4HA

关闭窗口

 
上海起华机械有限公司 Shanghai KIHUA Machinery Co., Ltd.@版权所有
|
首页 |品牌列表 |关于我们 |联系我们 |