kihua logo sinfonia logo
  | | |  
 
 
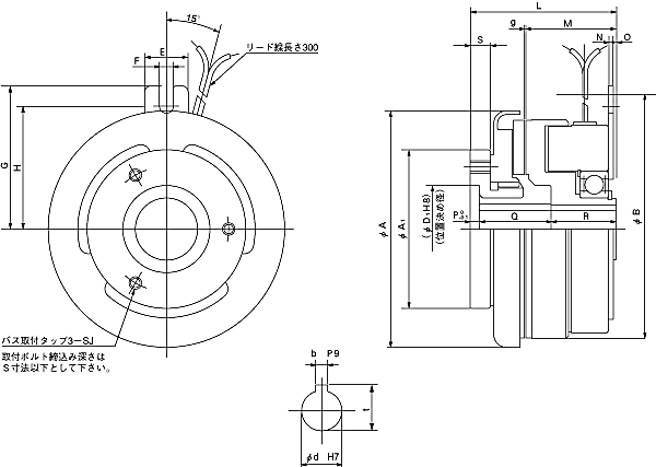
通轴型shinko_sinfonia_神钢电机离合器<JC-5>

 

形式

JC-5
静摩擦トルク Nm
50
定格電圧     DC-V
24
消費電力   W(at75℃)
23
質量            kg
4.2

単位:mm



A
145
A1
87
B
135.6
D1
52
E
20
F
6.5
G
82
H
74


L
73
M
43.5
N
2.6
O
1
P
4
Q
37
R
32
S
10
g
0.5

SJ
P.C.D
70
タップ
M8

d
25
b
8
t
28.3 +0.2
0


DMP-63/24A


EMP-70DB
CSM-55DB
CMPH-250/4HB

关闭窗口

 
上海起华机械有限公司 Shanghai KIHUA Machinery Co., Ltd.@版权所有
|
首页 |品牌列表 |关于我们 |联系我们 |