kihua logo sinfonia logo
  | | |  
 
 
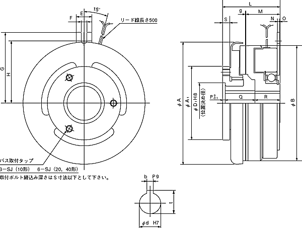
通轴型shinko_sinfonia_神钢电机离合器<JC-40>

 

形式

JC-40
静摩擦トルク Nm
400
定格電圧     DC-V
24
消費電力   W(at75℃)
50
質量            kg
32.5

単位 : mm



A
288
A1
168
B
271
D1
90
E
30
F
10.5
G
160
H
145


L
127
M
71
N
3.2
O
2
P
5
Q
70
R
52
S
15
g
0.6

SJ
P.C.D
135
僞僢僾
M12

d
50
b
16
t
54.3 +0.2
0


DMP-100/24A





EMP-70DB
CMPH-250/4HB

关闭窗口

 
上海起华机械有限公司 Shanghai KIHUA Machinery Co., Ltd.@版权所有
|
首页 |品牌列表 |关于我们 |联系我们 |