kihua logo sinfonia logo
  | | |  
 
 
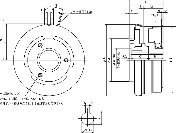
通轴型shinko_sinfonia_神钢电机离合器<JC-20>

 

形式

JC-20
静摩擦トルク Nm
200
定格電圧     DC-V
24
消費電力   W(at75℃)
40
質量            kg
17.5

単位 : mm



A
236
A1
140
B
219
D1
80
E
26
F
8.5
G
130
H
118


L
106
M
60.5
N
3.2
O
2
P
5
Q
56.5
R
44.5
S
13
g
0.6

SJ
P.C.D
115
僞僢僾
M10

d
40
b
12
t
43.3 +0.2
0


DMP-63/24A





EMP-70DB
CSM-55DB
CMPH-250/4HB

关闭窗口

 
上海起华机械有限公司 Shanghai KIHUA Machinery Co., Ltd.@版权所有
|
首页 |品牌列表 |关于我们 |联系我们 |