kihua logo sinfonia logo
  | | |  
 
 
通轴型shinko_sinfonia_神钢电机离合器<JC-2.5>

 

形式

JC-2.5
静摩擦トルク Nm
25
定格電圧     DC-V
24
消費電力   W(at75℃)
16
質量            kg
2.6

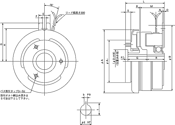
単位 : mm



A 118
A1 72
B 110.5
D1 42
E 18
F 6.5
G 69
H 61


L 66
M 40.5
N 2.0
O 1
P 4
Q 33
R 29
S 9
g 0.5

SJ P.C.D 58
タップ M6

d 20
b 6
t
22.8 +0.1
0


DMP-20/24A


EMP-20DB
CSM-55DB
CMPH-100/4HA
 
上海起华机械有限公司 Shanghai KIHUA Machinery Co., Ltd.@版权所有
|
首页 |品牌列表 |关于我们 |联系我们 |