kihua logo sinfonia logo
  | | |  
 
 
通轴型shinko_sinfonia_神钢电机离合器<JC-10>

 

形式

JC-10
静摩擦トルク Nm
100
定格電圧     DC-V
24
消費電力   W(at75℃)
33
質量            kg
8.7

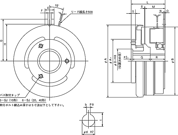
単位 : mm



A
186
A1
112
B
175.7
D1
62
E
24
F
8.5
G
108
H
95


L
87.5
M
52
N
3.2
O
1
P
4
Q
45.5
R
38
S
11
g
0.5

SJ
P.C.D
90
タップ
M10

d
30
b
10
t
33.3 +0.2
0


DMP-63/24A





EMP-70DB
CSM-55DB
CMPH-250/4HB

关闭窗口

 
上海起华机械有限公司 Shanghai KIHUA Machinery Co., Ltd.@版权所有
|
首页 |品牌列表 |关于我们 |联系我们 |