kihua logo sinfonia logo
  | | |  
 
 
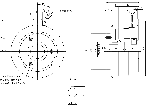
通轴型shinko_sinfonia_神钢电机离合器标准型JC-1.2(非标型JC-1.2-11/JC-1.2-12/JC-1.2-15/JC-1.2-16/JC-1.2-18)

形式

JC-1.2
非标型JC-1.2-11,JC-1.2-12,JC-1.2-15,JC-1.2-16,JC-1.2-18
静摩擦トルク Nm
12
18
定格電圧     DC-V
24
24
消費電力   W(at75℃)
11
33
質量            kg
1.4
2


単位 : mm



A
96
A1
58
B
90.4
D1
32
E
16
F
5.5
G
57
H
50


L
53
M
32
N
1.6
O
1
P
3
Q
27
R
23
S
7.5
g
0.4

SJ P.C.D 48
タップ M5

d 15
b 5
t
17.3 +0.1
0


DMP-20/24A


EMP-20DB
CSM-55DB
CMPH-100/4HA

关闭窗口

 
上海起华机械有限公司 Shanghai KIHUA Machinery Co., Ltd.@版权所有
|
首页 |品牌列表 |关于我们 |联系我们 |