kihua logo sinfonia logo
  | | |  
 
 
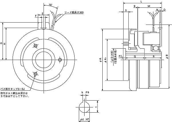
通轴型shinko_sinfonia_神钢电机离合器<JC-0.6>

 

形式

JC-0.6
静摩擦トルク Nm
6
定格電圧     DC-V
24
消費電力   W(at75℃)
8
質量            kg
0.8

単位 : mm



A
76
A1
51
B
70.3
D1
28
E
14
F
4.5
G
46
H
39.5


L
47
M
29
N
1.6
O
1
P
3
Q
23
R
21
S
6.5
g
0.4

SJ
P.C.D
40
タップ
M4

d
12
b
4
t
13.8 +0.1
0


DMP-20/24A


EMP-20DB
CSM-55DB
CMPH-100/4HA

关闭窗口

 
上海起华机械有限公司 Shanghai KIHUA Machinery Co., Ltd.@版权所有
|
首页 |品牌列表 |关于我们 |联系我们 |