kihua logo sinfonia logo
  | | |  
 
 
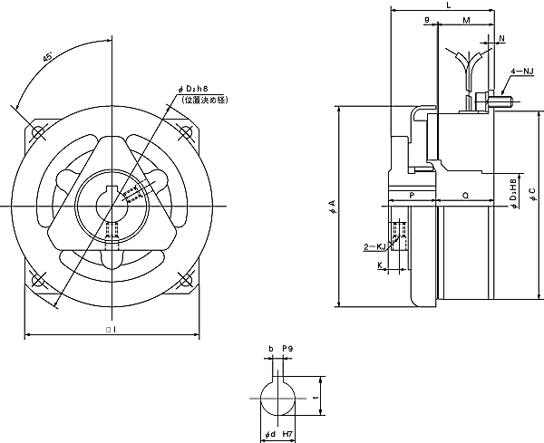
shinko_sinfonia_神钢电机制动器JB-5

 

形式

JB-5
静摩擦 Nm
50
定格電圧     DC-V
24
消費電力   W(at75℃)
20
質量            kg
3.1

单位:mm



A
145
C
135.6
D2
163
D3
54
I
120


L
57
M
26.5
N
3
P
28
Q
29
g
0.5

K
6
KJ
M6
NJ
P.C.D
149
ボルト
M6x16

d
25
b
8
t
28.3 +0.2
0


DMP-63/24A





EMP-70DB
CSM-55DB
CMPH-250/4HB

关闭窗口

 
上海起华机械有限公司 Shanghai KIHUA Machinery Co., Ltd.@版权所有
|
首页 |品牌列表 |关于我们 |联系我们 |