kihua logo sinfonia logo
  | | |  
 
 
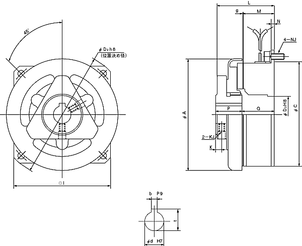
shinko_sinfonia_神钢电机制动器JB-2.5

 

形式

JB-2.5
静摩擦 Nm
25
定格電圧     DC-V
24
消費電力   W(at75℃)
14
質量            kg
1.8

单位:mm



A
118
C
110.5
D2
132
D3
45
I
98


L
51
M
24.5
N
2.5
P
25
Q
26
g
0.5

K
5.5
KJ
M6
NJ
P.C.D
121
ボルト
M5x12

d
20
b
6
t
22.8 +0.1
0


DMP-20/24A





EMP-20DB
CSM-55DB
CMPH-100/4HA

关闭窗口

 
上海起华机械有限公司 Shanghai KIHUA Machinery Co., Ltd.@版权所有
|
首页 |品牌列表 |关于我们 |联系我们 |