kihua logo sinfonia logo
  | | |  
 
 
shinko_sinfonia_神钢电机制动器JB-0.6

 

形式

JB-0.6
静摩擦 Nm
6
定格電圧     DC-V
24
消費電力   W(at75℃)
8
质量            kg
0.65
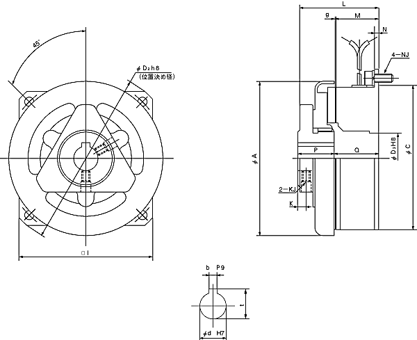
单位:mm


A 76
C 70.3
D2 88
D3 25
I 66


L 40
M 21
N 2
P 18
Q 22
g 0.4

K 4.2
KJ M4
N
J
P.C.D 79
ボルト M4x10

d 12
b 4
t
13.8 +0.1
0


DMP-20/24A





EMP-20DB
CSM-55DB
CMPH-100/4HA

关闭窗口

 
上海起华机械有限公司 Shanghai KIHUA Machinery Co., Ltd.@版权所有
|
首页 |品牌列表 |关于我们 |联系我们 |