kihua logo sinfonia logo
  | | |  
 
 
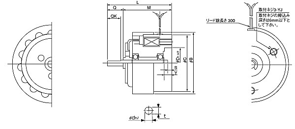
shinko_sinfonia_神钢电机制动器<HB-5>

 

形 式

HB-5
定格トルク   Nm
0.5

定格電圧   DC-V

24
消費電力   W(at75℃)
14.6

質量             kg

1.5


B 85
C 78
D1 35


L 73
M 55
S 4
Y 7

YJ P.C.D 60
ネジ M5×6

Q 18
QK 16
d 8
t 7.5

关闭窗口
 
上海起华机械有限公司 Shanghai KIHUA Machinery Co., Ltd.@版权所有
|
首页 |品牌列表 |关于我们 |联系我们 |