kihua logo sinfonia logo
  | | |  
 
 
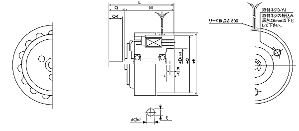
shinko_sinfonia_神钢电机制动器<HB-2.5>

 

形 式

HB-2.5
定格トルク   Nm
0.25

定格電圧   DC-V

24
消費電力   W(at75℃)
12.8

質量             kg

0.90


B 70
C 64.6
D1 32


L 67
M 51
S 4
Y 7

YJ P.C.D 50
ネジ M5×6

Q 16
QK 14
d 7
t 6.5

关闭窗口

 
上海起华机械有限公司 Shanghai KIHUA Machinery Co., Ltd.@版权所有
|
首页 |品牌列表 |关于我们 |联系我们 |