kihua logo sinfonia logo
  | | |  
 
 

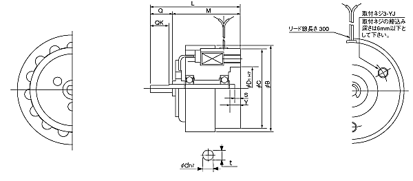
shinko_sinfonia_神钢电机制动器<HB-10>

 

形 式

HB-10
定格トルク   Nm 1

定格電圧   DC-V

24
消費電力   W(at75℃) 17.4

質量             kg

3.7

单位 : mm



B 112
C 105
D1 42


L 81
M 59
S 6
Y 9

YJ P.C.D 70
ネジ M5x6

Q 22
QK 20
d 10
t 9.5

 

关闭窗口

 
上海起华机械有限公司 Shanghai KIHUA Machinery Co., Ltd.@版权所有
|
首页 |品牌列表 |关于我们 |联系我们 |