kihua logo sinfonia logo
  | | |  
 
 
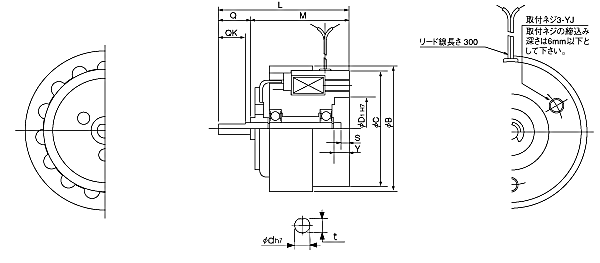
shinko_sinfonia_神钢电机制动器<HB-1.2>

 

形 式

HB-1.2
定格トルク   Nm
0.12

定格電圧   DC-V

24
消費電力   W(at75℃)
11.6

質量             kg

0.60


B 60
C 56
D1 28


L 62
M 48
S 3
Y 6

YJ P.C.D 40
ネジ M5×6

Q 14
QK 12
d 6
t 5.5

关闭窗口
 
上海起华机械有限公司 Shanghai KIHUA Machinery Co., Ltd.@版权所有
|
首页 |品牌列表 |关于我们 |联系我们 |