kihua logo sinfonia logo
  | | |  
 
 

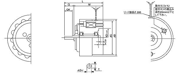
shinko_sinfonia_神钢电机制动器<HB-0.6>

 

形 式

HB-0.6
定格トルク   Nm
0.06

定格電圧   DC-V

24
消費電力   W(at75℃)
9.6

質量             kg

0.45


B 52
C 48
D1 26


L 54
M 41
S 3
Y 6

YJ P.C.D 36
ネジ M5×6

Q 13
QK 11
d 5
t 4.5

关闭窗口

 
上海起华机械有限公司 Shanghai KIHUA Machinery Co., Ltd.@版权所有
|
首页 |品牌列表 |关于我们 |联系我们 |