kihua logo sinfonia logo
  | | |  
 
 
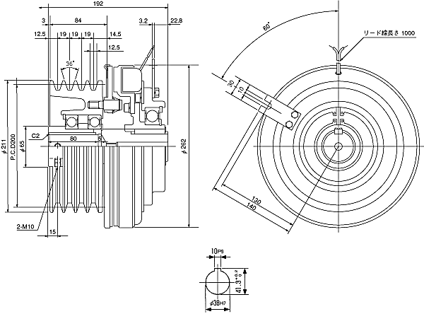
带V形轮型的电磁离合/shinko_sinfonia_神钢电机制动器
<ES-825-B2-28J>

 

形式

ES-825-B2-28J

使用shinko_sinfonia_神钢电机离合器型号
SF-825/BMP
Vベルト溝
B形2本
プーリ呼び径  φ
150
静摩擦トルク   Nm
200

定格電圧   DC-V

24
消費電力         W(at75℃)
28

質量       kg

17

单位 : mm

电源箱 DMP-63/24A
制御器 TMP-40D
EMP-70DB
CSM-55DB
CMPH-250/4HB




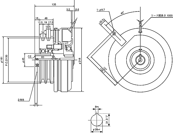
带V形轮型的电磁离合/shinko_sinfonia_神钢电机制动器
<ES-825-B4-38J>
 

形式

ES-825-B4-38J

使用shinko_sinfonia_神钢电机离合器型号
SF-825/BMP
Vベルト溝
B形2本
プーリ呼び径  φ
150
静摩擦トルク   Nm
200

定格電圧   DC-V

24
消費電力         W(at75℃)
28

質量       kg

23

单位 : mm

电源箱 DMP-63/24A
制御器 TMP-40D
EMP-70DB
CSM-55DB
CMPH-250/4HB

关闭窗口

 
上海起华机械有限公司 Shanghai KIHUA Machinery Co., Ltd.@版权所有
|
首页 |品牌列表 |关于我们 |联系我们 |