kihua logo sinfonia logo
  | | |  
 
 
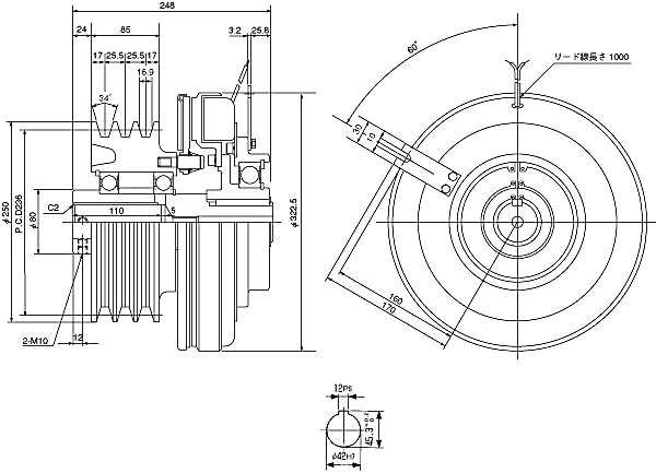
带V形轮型的电磁离合/shinko_sinfonia_神钢电机制动器
<ES-1225-C3-42J>
 

形式

ES-1225-C3-42J

使用shinko_sinfonia_神钢电机离合器型号
SF-1225/BMP
Vベルト溝
C形3本
プーリ呼び径  φ
236
静摩擦トルク   Nm
650

定格電圧   DC-V

24
消費電力         W(at75℃)
27

質量       kg

51
(注)受注生産品です。

单位 : mm

电源箱 DMP-63/24A
制御器  TMP-40D
EMP-70DB
CSM-55DB
CMPH-250/4HB

关闭窗口

 
上海起华机械有限公司 Shanghai KIHUA Machinery Co., Ltd.@版权所有
|
首页 |品牌列表 |关于我们 |联系我们 |