kihua logo sinfonia logo
  | | |  
 
 

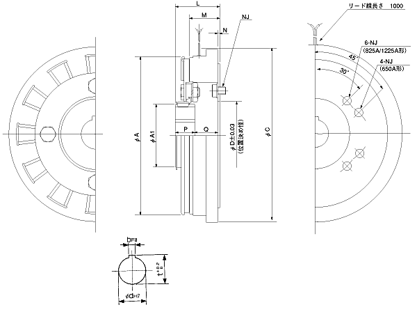
shinko_sinfonia_神钢电机制动器<ERS-825A/IMS>

 

形  式

ERS-825A/IMS

静摩擦トルク   Nm 120

定格電圧   DC-V

24
消費電力  W(at75℃) 23

質量             kg

11

单位 : mm



A 218
A 66.2
C 215
D 89.03


L 75.3
M 55
N 3.3
P 34
Q 41.3

NJ P.C.D 104.8
ボルト M8x16

d 28
b 7
t 31
制御器
FMPR70/24D

 

关闭窗口

 
上海起华机械有限公司 Shanghai KIHUA Machinery Co., Ltd.@版权所有
|
首页 |品牌列表 |关于我们 |联系我们 |