kihua logo sinfonia logo
  | | |  
 
 
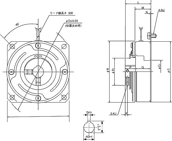
shinko_sinfonia_神钢电机制动器<ERS-400A/FMS>

 

形  式

ERS-400A/FMS

静摩擦トルク   Nm
20

定格電圧   DC-V

24
消費電力  W(at75℃)
8

質量             kg

2.0

单位 : mm



A 102
A 31.8
C 103
C1 32
D 142.85
I 108

 



L 59.5
M 38
N 2.4
P 24.5
Q 35

 


K 4.7
KJ M6
NJ P.C.D 127
ボルト M6×18

d 18
b 5
t 20

 

制御器

FMPR70/24D

关闭窗口

 
上海起华机械有限公司 Shanghai KIHUA Machinery Co., Ltd.@版权所有
|
首页 |品牌列表 |关于我们 |联系我们 |