kihua logo sinfonia logo
  | | |  
 
 
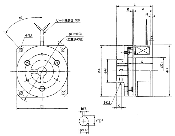
shinko_sinfonia_神钢电机制动器<ERS-175L/FMF>

 

形 式

ERS-175L/FMF

静摩擦トルク  Nm

2

定格電圧     DC-V

24
消費電力        W(at75℃)
6
質量        kg
0.18

 



A 44.3
A 20.5
C 44.8
C1 22
D 61.87
I 46

 



L 31
M 17.9
N 2.2
P 8.7
Q 22
g
0.2 +0.1
0

K 3.3
KJ M4
NJ P.C.D 54
ボルト 4.5

d 10
b -
t -

制御器

FMPR70/24D

关闭窗口

 
上海起华机械有限公司 Shanghai KIHUA Machinery Co., Ltd.@版权所有
|
首页 |品牌列表 |关于我们 |联系我们 |