kihua logo sinfonia logo
  | | |  
 
 
突出轴型电磁离合/shinko_sinfonia_神钢电机制动器
<EP-500S>

 

形式

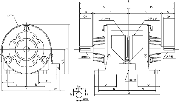
EP-500S
shinko_sinfonia_神钢电机离合器
shinko_sinfonia_神钢电机制动器

离合/shinko_sinfonia_神钢电机制动器

SFC-500/OMP
PB-500/OMP

静摩擦トルク   Nm

70
55

定格電圧   DC-V

24
消費電力         W(at75℃)
23
21
質量       kg
13


A 204
B 75
C 102
E 40
G 12
H 202.5


L 394
M 227
N 101
O 40
P1 187
P2 207
R 129.5
Z 12

Q 56
QK 47
d 22
b 7
h 7
t 4


DMP-63/24A





TMP-40D

EMP-70DB

CSM-55DB

CMPH-250/4HB

关闭窗口

 
上海起华机械有限公司 Shanghai KIHUA Machinery Co., Ltd.@版权所有
|
首页 |品牌列表 |关于我们 |联系我们 |