kihua logo sinfonia logo
  | | |  
 
 
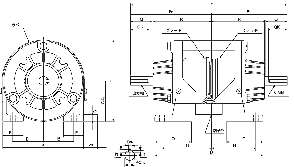
突出轴型电磁离合/shinko_sinfonia_神钢电机制动器<EP-400>

 

形式

EP-400
shinko_sinfonia_神钢电机离合器
shinko_sinfonia_神钢电机制动器

离合/shinko_sinfonia_神钢电机制动器

SFC-400/FMS-AG
PB-400/FMS-AG

静摩擦トルク   Nm

28
28

定格電圧   DC-V

24
消費電力         W(at75℃)
8
8
質量       kg
8.8


A 172
B 60
C 88
E 36
G 9.5
H 175


L 298
M 170
N 77
O 62
P1 149
P2 149
R 100.5
Z 7

Q 47
QK 40
d 19
b 5
h 5
t 3


DMP-20/24A





FMP-10DA

EMP-20DB

CSM-55DB

CMPH-100/4HA

关闭窗口

 
上海起华机械有限公司 Shanghai KIHUA Machinery Co., Ltd.@版权所有
|
首页 |品牌列表 |关于我们 |联系我们 |