kihua logo sinfonia logo
  | | |  
 
 
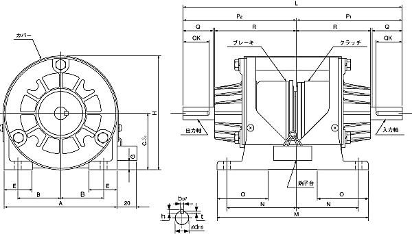
突出轴型电磁离合/shinko_sinfonia_神钢电机制动器<EP-250>

 

形式

EP-250
shinko_sinfonia_神钢电机离合器
shinko_sinfonia_神钢电机制动器

离合/shinko_sinfonia_神钢电机制动器

SFC-250/FMS-AG
PB-260/FMS-AG

静摩擦トルク   Nm

7
7

定格電圧   DC-V

24
消費電力         W(at75℃)
7
9.7
質量       kg
3.0


A 116
B 44
C 58
E 29
G 9
H 117


L 225
M 155
N 67.5
O 57
P1 112.5
P2 112.5
R 80
Z 7

Q 31
QK 25
d 13
b 4
h 4
t 2.5


DMP-20/24A





FMP-10DA

EMP-20DB

CSM-55DB

CMPH-100/4HA

关闭窗口

 
上海起华机械有限公司 Shanghai KIHUA Machinery Co., Ltd.@版权所有
|
首页 |品牌列表 |关于我们 |联系我们 |