kihua logo sinfonia logo
  | | |  
 
 
突出轴型电磁离合/shinko_sinfonia_神钢电机制动器
<EPS-650>

 

形式

EPS-650
shinko_sinfonia_神钢电机离合器
shinko_sinfonia_神钢电机制动器

离合/shinko_sinfonia_神钢电机制动器

SFC-650/IMS
PB-650/IMS

静摩擦トルク   Nm

130

定格電圧   DC-V

24
消費電力         W(at75℃)
26
21
質量       kg
42

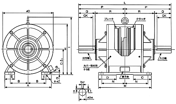
单位 : mm



A 230
B 100
C 120
D 230
E 53
G 14
H 235


L 448
M 266
N 120
O 88
P 224
R 162
Z 12

Q 57
QK 48
d 28
b 7
h 7
t 4


DMP-63/24A





TMP-40D

EMP-70DB

CSM-55DB

CMPH-250/4HB

关闭窗口

 
上海起华机械有限公司 Shanghai KIHUA Machinery Co., Ltd.@版权所有
|
首页 |品牌列表 |关于我们 |联系我们 |