kihua logo sinfonia logo
  | | |  
 
 
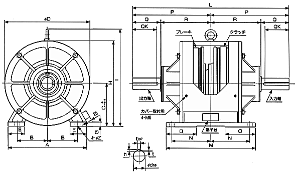
突出轴型电磁离合/shinko_sinfonia_神钢电机制动器
<EPS-1525>

 

形式

EPS-1525
shinko_sinfonia_神钢电机离合器
shinko_sinfonia_神钢电机制动器

离合/shinko_sinfonia_神钢电机制动器

SFC-1525/IMS
PB-1525/IMS

静摩擦トルク   Nm

1000

定格電圧   DC-V

24
消費電力         W(at75℃)
32
25
質量       kg
213

单位 : mm



A 440
B 168
C 227
D 450
E 84
G 22
H 452
I 503


L 708
M 404
N 172
O 137
P 354
R 230
Z 22

Q 120
QK 104
d 50
b 12
h 8
t 4.5


DMP-63/24A





TMP-40D

EMP-70DB

CSM-55DB

CMPH-250/4HB





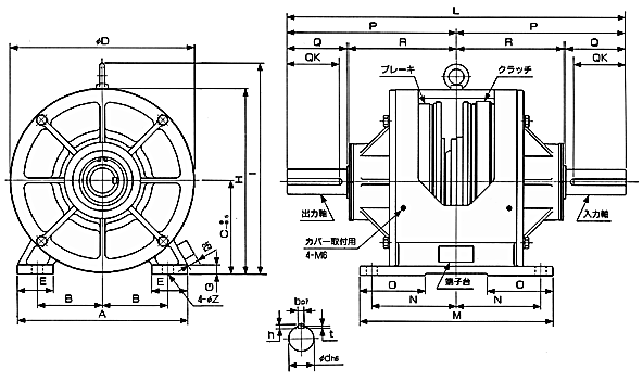
突出轴型电磁离合/shinko_sinfonia_神钢电机制动器
<EPS-1525-HT>

 

形式

EPS-1525-HT
shinko_sinfonia_神钢电机离合器
shinko_sinfonia_神钢电机制动器

离合/shinko_sinfonia_神钢电机制动器

SFC-1525HT/IMS
RF-1525HT/IMS

静摩擦トルク   Nm

1800

定格電圧   DC-V

24
消費電力         W(at75℃)
143
143
質量       kg
270
(注)受注生産品です。


A 446
B 170
C 233
D 456
E 95
G 26
H 461
I 521


L 830
M 520
N 220
O 175
P 415
R 273
Z 26

Q 137
QK 120
d 75
b 20
h 13
t 7


DMP-200/24A

关闭窗口

 
上海起华机械有限公司 Shanghai KIHUA Machinery Co., Ltd.@版权所有
|
首页 |品牌列表 |关于我们 |联系我们 |