kihua logo sinfonia logo
  | | |  
 
 
突出轴型电磁离合/shinko_sinfonia_神钢电机制动器
<EPS-1225>

 

形式

EPS-1225
shinko_sinfonia_神钢电机离合器
shinko_sinfonia_神钢电机制动器

离合/shinko_sinfonia_神钢电机制动器

SFC-1225/IMS
PB-1225/IMS

静摩擦トルク   Nm

650

定格電圧   DC-V

24
消費電力         W(at75℃)
27
22
質量       kg
150

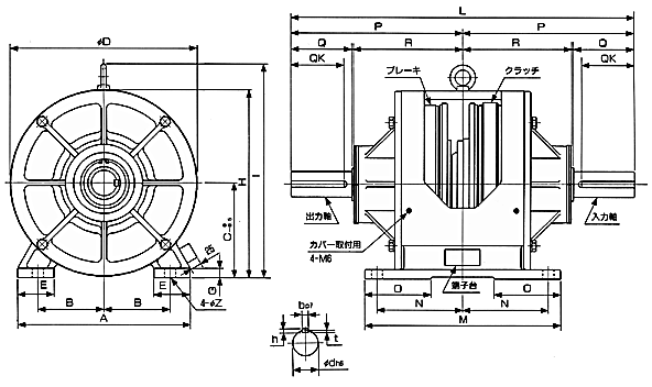
单位 : mm



A 340
B 130
C 187
D 368
E 72
G 19
H 372
I 423


L 676
M 386
N 169
O 130.5
P 338
R 213
Z 22

Q 120
QK 104
d 50
b 12
h 8
t 4.5


DMP-63/24A





TMP-40D

EMP-70DB

CSM-55DB

CMPH-250/4HB

关闭窗口

 
上海起华机械有限公司 Shanghai KIHUA Machinery Co., Ltd.@版权所有
|
首页 |品牌列表 |关于我们 |联系我们 |