kihua logo sinfonia logo
  | | |  
 
 
突出轴型电磁离合/shinko_sinfonia_神钢电机制动器
<EPS-1000>

 

形式

EPS-1000
shinko_sinfonia_神钢电机离合器
shinko_sinfonia_神钢电机制动器

离合/shinko_sinfonia_神钢电机制动器

SFC-1000/IMS
PB-1000/IMS

静摩擦トルク   Nm

350

定格電圧   DC-V

24
消費電力         W(at75℃)
31
27
質量       kg
100

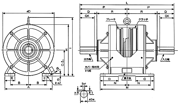
单位 : mm



A 280
B 106
C 158
D 308
E 61
G 17
H 312
I 354


L 620
M 340
N 148
O 115
P 310
R 196
Z 18

Q 110
QK 89
d 48
b 12
h 8
t 4.5


DMP-63/24A





TMP-40D

EMP-70DB

CSM-55DB

CMPH-250/4HB

关闭窗口

 
上海起华机械有限公司 Shanghai KIHUA Machinery Co., Ltd.@版权所有
|
首页 |品牌列表 |关于我们 |联系我们 |