kihua logo sinfonia logo
  | | |  
 
 

shinko_sinfonia_神钢电机制动器<EPR-825A>

 

形 式

EPR-825A

shinko_sinfonia_神钢电机离合器
shinko_sinfonia_神钢电机制动器
静摩擦トルク   Nm 180 120

定格電圧   DC-V

24
消費電力   W(at75℃) 25 23

質量             kg

60

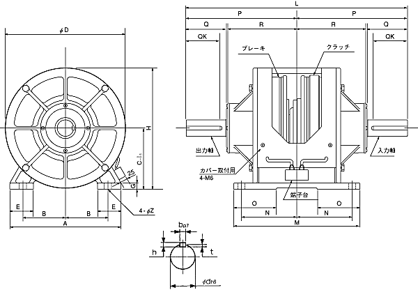
单位 : mm



A 260
B 108
C 132
D 264
E 47.5
G 14
H 264


L 524
M 256
N 115
O 78
P 262
R 181
Z 12

Q 73
QK 56
d 28
b 7
h 7
t 4
制御器
FMPR70/24D

 

关闭窗口

 
上海起华机械有限公司 Shanghai KIHUA Machinery Co., Ltd.@版权所有
|
首页 |品牌列表 |关于我们 |联系我们 |