kihua logo sinfonia logo
  | | |  
 
 

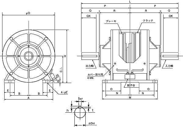
shinko_sinfonia_神钢电机制动器<EPR-650A>

 

形 式

EPR-650A

shinko_sinfonia_神钢电机离合器
shinko_sinfonia_神钢电机制动器
静摩擦トルク   Nm
130
70

定格電圧   DC-V

24
消費電力   W(at75℃)
26
21

質量             kg

42

单位 : mm



A 230
B 100
C 120
D 230
E 53
G 14
H 235


L 448
M 266
N 120
O 88
P 224
R 162
Z 12

Q 57
QK 48
d 28
b 7
h 7
t 4
制御器
FMPR70/24D

 

关闭窗口

 
上海起华机械有限公司 Shanghai KIHUA Machinery Co., Ltd.@版权所有
|
首页 |品牌列表 |关于我们 |联系我们 |