kihua logo sinfonia logo
  | | |  
 
 
突出轴型电磁离合/shinko_sinfonia_神钢电机制动器
<CLC-825>

 

形式

CLC-825

离合/shinko_sinfonia_神钢电机制动器

CLC-825
静摩擦トルク   Nm
180

定格電圧   DC-V

24
消費電力         W(at75℃)
25

質量       kg

46

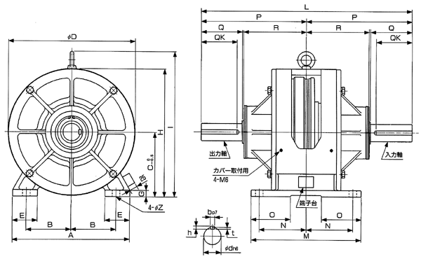
单位 : mm



A 260
B 108
C 132
D 264
E 47.5
G 14
H 264


L 460
M 192
N 83
O 63.5
P 230
R 149
Z 12

Q
73
QK
56
d
28
b
7
h
7
t

4



DMP-63/24A





TMP-40D

EMP-70DB

CSM-55DB

CMPH-250/4HB

关闭窗口

 
上海起华机械有限公司 Shanghai KIHUA Machinery Co., Ltd.@版权所有
|
首页 |品牌列表 |关于我们 |联系我们 |