kihua logo sinfonia logo
  | | |  
 
 
突出轴型电磁离合/shinko_sinfonia_神钢电机制动器
<CLC-501>

 

形式

CLC-501

离合/shinko_sinfonia_神钢电机制动器

CLC-501
静摩擦トルク   Nm
70

定格電圧   DC-V

24
消費電力         W(at75℃)
23

質量       kg

16

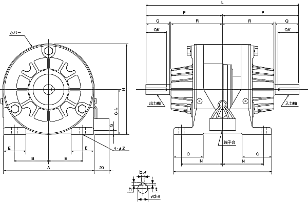
单位 : mm



A 204
B 75
C 102
E 40
G 13
H 204.5


L 352
M 204
N 90
O 54
P 176
R 118.5
Z 12

Q
56
QK
47
d
22
b
7
h
7
t

4



DMP-63/24A





TMP-40D

EMP-70DB

CSM-55DB

CMPH-250/4HB

关闭窗口

 
上海起华机械有限公司 Shanghai KIHUA Machinery Co., Ltd.@版权所有
|
首页 |品牌列表 |关于我们 |联系我们 |