kihua logo sinfonia logo
  | | |  
 
 
突出轴型电磁离合/shinko_sinfonia_神钢电机制动器
<CLC-400>

 

形式

CLC-400

离合/shinko_sinfonia_神钢电机制动器

CLC-400
静摩擦トルク   Nm
28

定格電圧   DC-V

24
消費電力         W(at75℃)
8

質量       kg

6.0

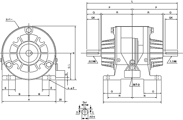
单位 : mm



A 172
B 60
C 88
E 36
G 9.5
H 175


L 264
M 140
N 60
O 42
P 132
R 83.5
Z 7

Q
47
QK
40
d
19
b
5
h
5
t

3



DMP-20/24A





FMP-10DA

EMP-20DB

CSM-55DB

CMPH-100/4HA

关闭窗口

 
上海起华机械有限公司 Shanghai KIHUA Machinery Co., Ltd.@版权所有
|
首页 |品牌列表 |关于我们 |联系我们 |