kihua logo sinfonia logo
  | | |  
 
 
突出轴型电磁离合/shinko_sinfonia_神钢电机制动器
<CLC-250>

 

形式

CLC-250

离合/shinko_sinfonia_神钢电机制动器

CLC-250
静摩擦トルク   Nm
7

定格電圧   DC-V

24
消費電力         W(at75℃)
7

質量       kg

2.4

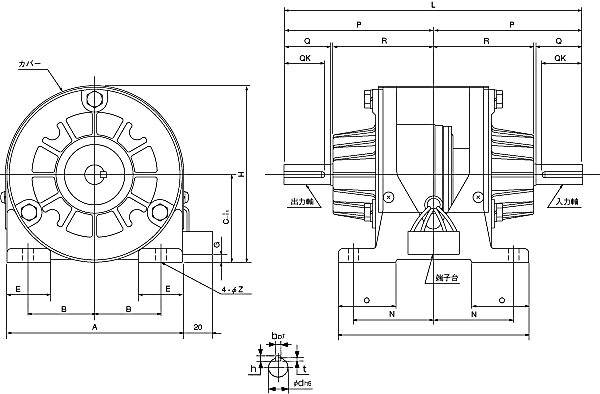
单位 : mm



A 116
B 44
C 58
E 29
G 9
H 117


L 198
M 126
N 53
O 38
P 99
R 66.5
Z 7

Q
31
QK
25
d
13
b
4
h
4
t

2.5



DMP-20/24A





FMP-10DA

EMP-20DB

CSM-55DB

CMPH-100/4HA

关闭窗口

 
上海起华机械有限公司 Shanghai KIHUA Machinery Co., Ltd.@版权所有
|
首页 |品牌列表 |关于我们 |联系我们 |