kihua logo sinfonia logo
  | | |  
 
 
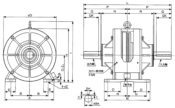
突出轴型电磁离合/shinko_sinfonia_神钢电机制动器
<CLC-1525>

 

形式

CLC-1525

离合/shinko_sinfonia_神钢电机制动器

CLC-1525
静摩擦トルク   Nm
1000

定格電圧   DC-V

24
消費電力         W(at75℃)
32

質量       kg

180

单位 : mm



A 440
B 168
C 227
D 450
E 84
G 22
H 452
I 503


L 638
M 334
N 137
O 122
P 319
R 194
Z 22

Q
120
QK
104
d
50
b
12
h
8
t

4.5



DMP-63/24A





TMP-40D

EMP-70DB

CSM-55DB

CMPH-250/4HB





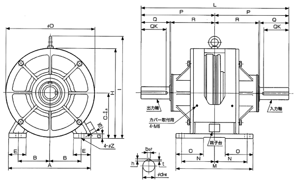
突出轴型电磁离合/shinko_sinfonia_神钢电机制动器
<CLC-1525>

 

形式

CLC-1525HT

离合/shinko_sinfonia_神钢电机制动器

SFC-1525HT/IMS
静摩擦トルク   Nm
1800

定格電圧   DC-V

24
消費電力         W(at75℃)
143

質量       kg

203
(注)受注生産品です。

单位 : mm



A 446
B 170
C 233
D 456
E 95
G 26
H 461
I 521


L 682
M 372
N 146
O 141
P 341
R 199
Z 26

Q
137
QK
120
d
75
b
20
h
13
t

7



DMP-200/24A

关闭窗口

 
上海起华机械有限公司 Shanghai KIHUA Machinery Co., Ltd.@版权所有
|
首页 |品牌列表 |关于我们 |联系我们 |