kihua logo sinfonia logo
  | | |  
 
 
突出轴型电磁离合/shinko_sinfonia_神钢电机制动器
<CLC-1225>

 

形式

CLC-1225

离合/shinko_sinfonia_神钢电机制动器

CLC-1225
静摩擦トルク   Nm
650

定格電圧   DC-V

24
消費電力         W(at75℃)
27

質量       kg

118


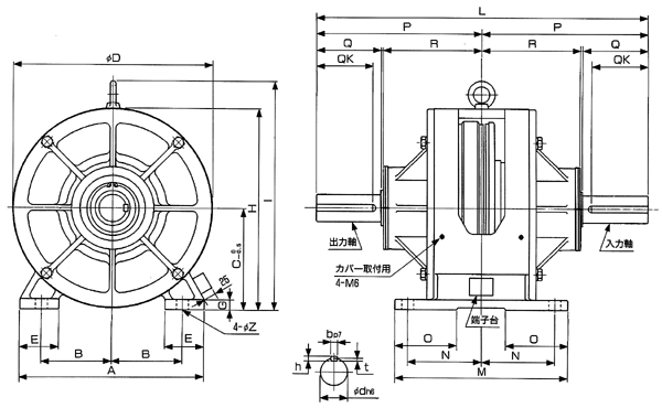
A 340
B 130
C 187
D 368
E 72
G 19
H 372
I 423


L 610
M 320
N 136
O 115
P 305
R 180
Z 22

Q
120
QK
104
d
50
b
12
h
8
t

4.5



DMP-63/24A





TMP-40D

EMP-70DB

CSM-55DB

CMPH-250/4HB

关闭窗口

 
上海起华机械有限公司 Shanghai KIHUA Machinery Co., Ltd.@版权所有
|
首页 |品牌列表 |关于我们 |联系我们 |