kihua logo sinfonia logo
  | | |  
 
 

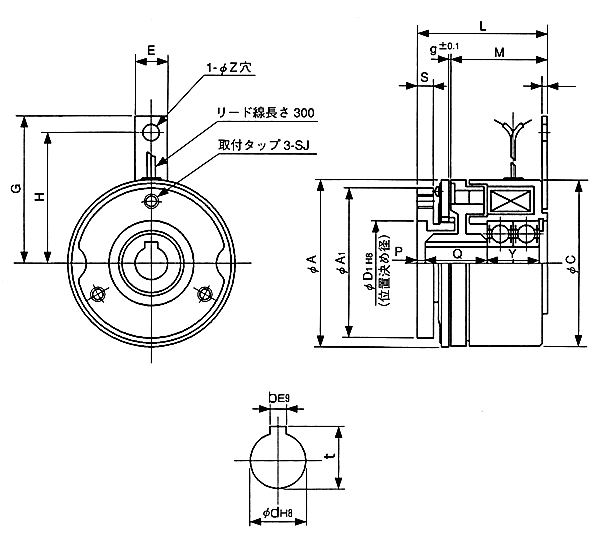
shinko_sinfonia_神钢电机离合器<BO-9>

 

形 式

BO-9
静摩擦トルク  Nm
15

定格電圧      DC-V

24
消費電力      W(at75℃)
12

質量              kg

1.7

単位 : mm



A 86
A1 66
C 91
D1 35
E 12.7
G 56.3
H 51.5


L 58
M 42
N 1.6
P 4
Q 30.5
R -
S 6
Y 20
g 0.4
Z 5

SJ P.C.D 56
タップ M5x0.8

d 17
b 5
t 19


DMP-20/24A





TMP-40D
EMP-20DB
CSM-55DB
CMPH-100/4HA

 

关闭窗口

 
上海起华机械有限公司 Shanghai KIHUA Machinery Co., Ltd.@版权所有
|
首页 |品牌列表 |关于我们 |联系我们 |