kihua logo sinfonia logo
  | | |  
 
 

shinko_sinfonia_神钢电机离合器<BO-7>

 

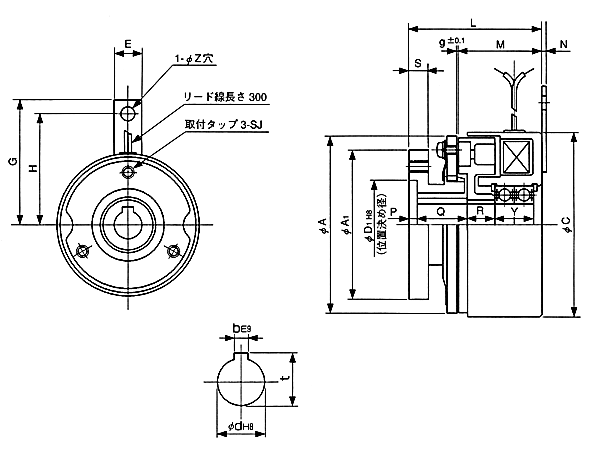
形 式

BO-7
静摩擦トルク  Nm
7

定格電圧      DC-V

24
消費電力      W(at75℃)
10

質量              kg

0.66

単位 : mm



A 64
A1 54
C 67
D1 32
E 12
G 50
H 44


L 48
M 30.3
N 1.6
P 3
Q 18
R 10
S 7
Y 14
g 0.3
Z 5

SJ P.C.D 42
タップ M4×0.7

d 15
b 5
t 17


DMP-20/24A





TMP-40D
EMP-20DB
CSM-55DB
CMPH-100/4HA

 

关闭窗口

 
上海起华机械有限公司 Shanghai KIHUA Machinery Co., Ltd.@版权所有
|
首页 |品牌列表 |关于我们 |联系我们 |