kihua logo sinfonia logo
  | | |  
 
 

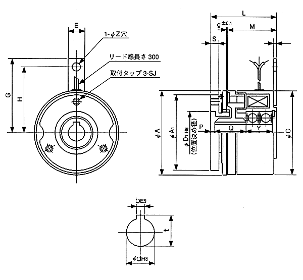
shinko_sinfonia_神钢电机离合器<BO-6>

 

形 式

BO-6
静摩擦トルク  Nm 4

定格電圧      DC-V

24
消費電力      W(at75℃) 10.6

質量              kg

0.55

単位 : mm



A 58.5
A1 50
C 61
D1 28
E 12
G 50
H 44


L 45
M 31.5
N 1.6
P 3
Q 23
R -
S 6
Y 16
g 0.3
Z 5

SJ P.C.D 42
タップ M4×0.7

d 12
b 4
t 13.5


DMP-20/24A





TMP-40D
EMP-20DB
CSM-55DB
CMPH-100/4HA

 

 
上海起华机械有限公司 Shanghai KIHUA Machinery Co., Ltd.@版权所有
|
首页 |品牌列表 |关于我们 |联系我们 |