kihua logo sinfonia logo
  | | |  
 
 
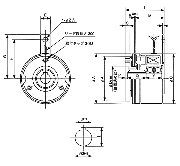
shinko_sinfonia_神钢电机离合器<BO-5>

 

形 式

BO-5
静摩擦トルク  Nm
2

定格電圧      DC-V

24
消費電力      W(at75℃)
6.4

質量              kg

0.38


A 51.3
A1 46
C 51
D1 26
E 10
G 45
H 40


L 40
M 29.5
N 1.6
P 3
Q 18.5
R -
S 5
Y 16
g 0.3
Z 5

SJ P.C.D 38
タップ M4×0.7

d 10
b 4
t 11.5


DMP-10/24





FMP-10DA
EMP-20DB
CSM-55DB
CMPH-100/4HA

 

关闭窗口

 
上海起华机械有限公司 Shanghai KIHUA Machinery Co., Ltd.@版权所有
|
首页 |品牌列表 |关于我们 |联系我们 |