kihua logo sinfonia logo
  | | |  
 
 

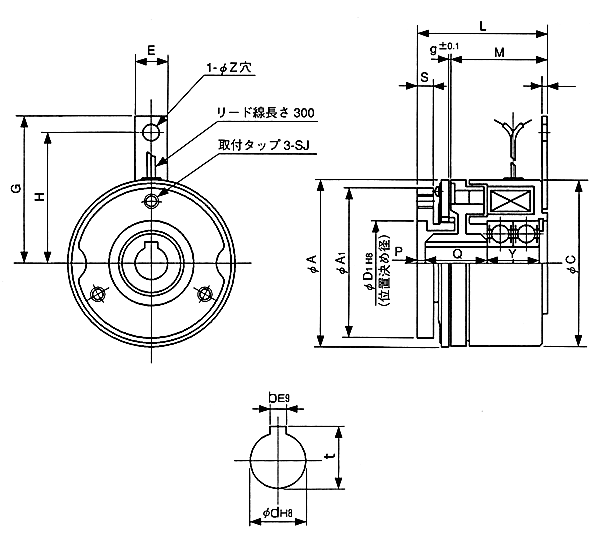
shinko_sinfonia_神钢电机离合器<BO-4>

 

形 式

BO-4
静摩擦トルク  Nm
0.5

定格電圧      DC-V

24
消費電力      W(at75℃)
4.6

質量              kg

0.15


A 36.5
A1 27
C 38
D1 15
E 10
G 35
H 30


L 32.5
M 22
N 1.6
P 2
Q 19
R -
S 4
Y 10
g 0.2
Z 3.2

SJ P.C.D 22
タップ M3×0.5

d 6
b 2
t 6.9


DMP-10/24





FMP-10DA
EMP-20DB
CSM-55DB
CMPH-100/4HA

 

关闭窗口

 
上海起华机械有限公司 Shanghai KIHUA Machinery Co., Ltd.@版权所有
|
首页 |品牌列表 |关于我们 |联系我们 |